ထုတ်ကုန်များ

850nm Fabry Perot FP Fiber-coupled Laser Diode
  • 850nm Fabry Perot FP Fiber-coupled Laser Diode 850nm Fabry Perot FP Fiber-coupled Laser Diode
  • 850nm Fabry Perot FP Fiber-coupled Laser Diode 850nm Fabry Perot FP Fiber-coupled Laser Diode
  • 850nm Fabry Perot FP Fiber-coupled Laser Diode 850nm Fabry Perot FP Fiber-coupled Laser Diode
  • 850nm Fabry Perot FP Fiber-coupled Laser Diode 850nm Fabry Perot FP Fiber-coupled Laser Diode
  • 850nm Fabry Perot FP Fiber-coupled Laser Diode 850nm Fabry Perot FP Fiber-coupled Laser Diode

850nm Fabry Perot FP Fiber-coupled Laser Diode

850nm Fabry-Perot (FP) multi-longitudinal mode butterfly laser diode ၊ တည်ငြိမ်ပြီး ယုံကြည်စိတ်ချရသော optical output ကို ပေးဆောင်သည့် TEC အပူချိန်ထိန်းချုပ်မှုနှင့် စောင့်ကြည့်ရေး PD ပါရှိသော စံလိပ်ပြာအထုပ်တစ်ခုပါရှိသည်။

စုံစမ်းမေးမြန်းရန်ပေးပို့ပါ။

ကုန်ပစ္စည်းအကြောင်းအရာ

850nm Fabry-Perot (FP) multi-longitudinal mode butterfly laser diode ၊ တည်ငြိမ်ပြီး ယုံကြည်စိတ်ချရသော optical output ကို ပေးဆောင်သည့် TEC အပူချိန်ထိန်းချုပ်မှုနှင့် စောင့်ကြည့်ရေး PD ပါရှိသော စံလိပ်ပြာအထုပ်တစ်ခုပါရှိသည်။


အင်္ဂါရပ်များ

14pin လိပ်ပြာအထုပ်;

Built-in thermistor နှင့် TEC;

ဖိုက်ဘာအမျိုးအစား SM630-HP ဖိုက်ဘာဖြစ်နိုင်သည်။

လည်ပတ်မှုအပူချိန်-20 ~ +70 ℃


အသုံးချမှု

Optical တူရိယာ;

လေဆာအရင်းအမြစ်။


Electro-Optical Characteristics(T=25℃)

ကန့်သတ်ချက် သင်္ကေတ အခြေအနေ မင်း စာရိုက်ပါ။ မက်တယ်။ ယူနစ်
လည်ပတ်လှိုင်းအလျား λc CW၊ 25 ℃ 840 850 860 ကမ္မဿကာ
Optical output ပါဝါ PF - 30 - - mW
Threshold လက်ရှိ ITH 25 ℃ - 10 35 mA
လည်ပတ်နေသောလက်ရှိ IOP CW - 255 275 mA
လည်ပတ်ဗို့အား VOP 25 ℃ - 2.1 2.3 V
Current ကို စောင့်ကြည့်ပါ။ IMON VRM = 5V 50 - 1500 µA
MPD Dark current အမှတ်သညာ VRM = 5V - - 50 µA
Thermistor ခုခံမှု RTH 25 ℃ 9.5 10 10.5
Thermistor B-တန်ဖိုး β 25 ℃ / 80 ℃ - 3950 - K


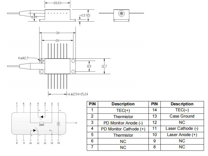
ပက်ကေ့ဂျ်ပုံဆွဲခြင်းနှင့် ပင်နံပါတ်ထွက်ခြင်း အဓိပ္ပါယ် (ယူနစ်: မီလီမီတာ)

850nm Fabry Perot Fp Fiber Coupled Laser Diode


ပို့ဆောင်ခြင်း၊ ပို့ဆောင်ခြင်းနှင့် ဝန်ဆောင်မှုပေးခြင်း

ထုတ်ကုန်အားလုံးကို မတင်ပို့မီ စမ်းသပ်ပြီးပါပြီ။

ထုတ်ကုန်အားလုံးသည် 1-3 နှစ်အာမခံရှိသည်။(အရည်အသွေးအာမခံကာလပြီးနောက်သင့်လျော်သောပြုပြင်ထိန်းသိမ်းမှုဝန်ဆောင်မှုအခကြေးငွေကိုစတင်ကောက်ခံပါသည်။)

ကျွန်ုပ်တို့သည် သင့်လုပ်ငန်းကို လေးစားတန်ဖိုးထားပြီး 7 ရက်အတွင်း ချက်ချင်းပြန်ပို့သည့်မူဝါဒကို ပေးဆောင်ပါသည်။ (ပစ္စည်းများလက်ခံရရှိပြီးနောက် 7 ရက်);

ကျွန်ုပ်တို့၏စတိုးမှ သင်ဝယ်ယူသောပစ္စည်းများသည် အရည်အသွေးမပြည့်မီပါက၊ ၎င်းတို့သည် ထုတ်လုပ်သူများ၏ သတ်မှတ်ချက်များနှင့်အညီ အီလက်ထရွန်နစ်စနစ်ဖြင့် အလုပ်မလုပ်ပါက၊ အစားထိုး သို့မဟုတ် ပြန်အမ်းငွေအတွက် ၎င်းတို့ထံ ကျွန်ုပ်တို့ထံ ပြန်လည်ပေးပို့ပါ။

ပစ္စည်းများချို့ယွင်းပါက၊ ပေးပို့ပြီး 3 ရက်အတွင်း ကျွန်ုပ်တို့အား အကြောင်းကြားပါ။

ပြန်အမ်းငွေ သို့မဟုတ် အစားထိုးမှုအတွက် အရည်အချင်းပြည့်မီရန် မည်သည့်ပစ္စည်းမဆို ၎င်းတို့၏မူလအခြေအနေတွင် ပြန်လည်ပေးအပ်ရမည်ဖြစ်ပါသည်။

ဖြစ်ပေါ်လာသော ပို့ဆောင်ခအားလုံးကို ဝယ်ယူသူမှ တာဝန်ယူပါသည်။

850nm Fabry Perot Fp Fiber Coupled Laser Diode


အမြဲမေးလေ့ရှိသောမေးခွန်းများ

မေး- လိုက်ဖက်တဲ့ လေဆာ ဒရိုက်ဘာ ရှိပါသလား။

A: ဟုတ်ပါတယ်။ ကျွန်ုပ်တို့သည် လေဆာအရင်းအမြစ် module တစ်ခုအဖြစ် diode နှင့် driver ကို ပေါင်းစပ်နိုင်သည်။


မေး- အခြားလှိုင်းအလျား FP လေဆာ ရှိပါသလား။

A- ဟုတ်ကဲ့၊ 488nm/ 520nm/ 532nm/ 660nm/ 850nm/ 1064nm... အသေးစိတ်အချက်အလက်များအတွက် ကျွန်ုပ်တို့ထံ ဆက်သွယ်ပါ။


Hot Tags: 850nm Fabry Perot FP Fiber-coupled Laser Diode၊ ထုတ်လုပ်သူများ၊ ရောင်းချသူများ၊ လက်ကား၊ စက်ရုံ၊ စိတ်ကြိုက်၊ အစုလိုက်၊ တရုတ်၊ တရုတ်၊ စျေးပေါ၊ ဈေးနှုန်းသက်သာ၊ အရည်အသွေး

ဆက်စပ်အမျိုးအစား

စုံစမ်းမေးမြန်းရန်ပေးပို့ပါ။

ကျေးဇူးပြု၍ အောက်ပါပုံစံဖြင့် သင်၏စုံစမ်းမေးမြန်းမှုကို အခမဲ့ပေးပါ။ 24 နာရီအတွင်း သင့်အား အကြောင်းပြန်ပါမည်။
X
သင့်အား ပိုမိုကောင်းမွန်သောကြည့်ရှုမှုအတွေ့အကြုံကို ပေးဆောင်ရန်၊ ဆိုက်အသွားအလာကို ပိုင်းခြားစိတ်ဖြာပြီး အကြောင်းအရာကို ပုဂ္ဂိုလ်ရေးသီးသန့်ပြုလုပ်ရန် ကျွန်ုပ်တို့သည် ကွတ်ကီးများကို အသုံးပြုပါသည်။ ဤဆိုက်ကိုအသုံးပြုခြင်းဖြင့် ကျွန်ုပ်တို့၏ cookies အသုံးပြုမှုကို သင်သဘောတူပါသည်။ ကိုယ်ရေးအချက်အလက်မူဝါဒ
ငြင်းပယ်ပါ။ လက်ခံပါတယ်။