စွမ်းအားမြင့် 1653.7nm လေဆာ module သည် subcarrier ပေါ်တွင် ချစ်ပ်ဖြင့် planar တည်ဆောက်မှုကို အသုံးပြုသည်။ ပါဝါမြင့်မားသော ချစ်ပ်ကို epoxy-free နှင့် flux-free 14-pin butterfly package တွင် hermetically တံဆိပ်ခတ်ထားပြီး အရည်အသွေးမြင့် လေဆာစွမ်းဆောင်ရည်ကို လုံခြုံစေရန် အပူချိန်ထိန်းကိရိယာ၊ အပူချိန်ထိန်းကိရိယာနှင့် မော်နီတာ diode တို့ဖြင့် တပ်ဆင်ထားသည်။ မီသိန်းဓာတ်ငွေ့ရှာဖွေခြင်းအတွက် 1653nm 40mW BTF လေဆာဒိုင်အိုဒများသည် Telcordia GR-468 အရည်အချင်းပြည့်မီပြီး RoHS ညွှန်ကြားချက်များကို လိုက်နာပါသည်။
စွမ်းအားမြင့် 1653.7nm လေဆာ module သည် subcarrier ပေါ်တွင် ချစ်ပ်ဖြင့် planar တည်ဆောက်မှုကို အသုံးပြုသည်။ ပါဝါမြင့်မားသော ချစ်ပ်ကို epoxy-free နှင့် flux-free 14-pin butterfly package တွင် hermetically တံဆိပ်ခတ်ထားပြီး အရည်အသွေးမြင့် လေဆာစွမ်းဆောင်ရည်ကို လုံခြုံစေရန် အပူချိန်ထိန်းကိရိယာ၊ အပူချိန်ထိန်းကိရိယာနှင့် မော်နီတာ diode တို့ဖြင့် တပ်ဆင်ထားသည်။ ကျွန်ုပ်တို့၏လေဆာထုတ်ကုန်များသည် Telcordia GR-468 အရည်အချင်းပြည့်မီပြီး RoHS ညွှန်ကြားချက်များနှင့်အညီဖြစ်သည်။
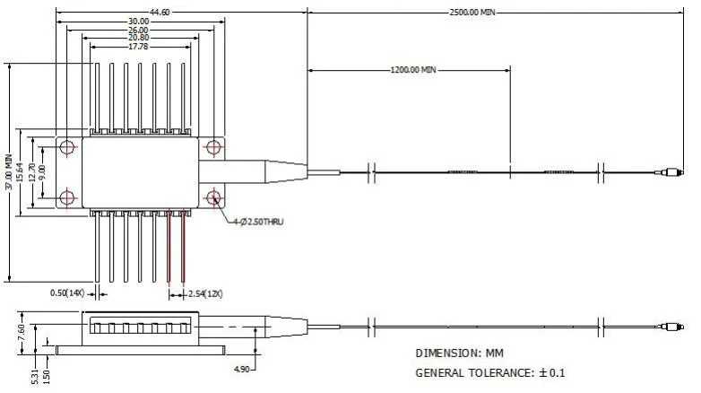
● စက်မှု-စံ 14-pin လိပ်ပြာအထုပ်;
● Built-in TEC နှင့် optical isolator;
● စွမ်းဆောင်ရည်မြင့်၊ ဘက်စုံသုံး ရေတွင်း (MQW) ဖြန့်ဝေ-တုံ့ပြန်ချက် (DFB) လေဆာ။
● ဓာတ်ငွေ့ရှာဖွေတွေ့ရှိမှုအတွက် passive အစိတ်အပိုင်းများကို ထုတ်လုပ်မှုစမ်းသပ်ခြင်း၊
● ဖိုက်ဘာဓာတ်ငွေ့ထောက်လှမ်းစနစ်;
● လေဆာပါဝင်ပါတယ်။
| ကန့်သတ်ချက် | သင်္ကေတ | အခြေအနေ | မင်း | စာရိုက်ပါ။ | မက်တယ်။ | ယူနစ် |
| အလယ်ဗဟိုလှိုင်းအလျား | λc | TL=15~35℃ CW | 1652.7 | 1653.7 | 1654.7 | ကမ္မဿကာ |
| Optical output ပါဝါ | ဖိုး | CW | - | 40 | - | mW |
| LD Threshold လက်ရှိ | ITH | CW | - | 15 | 40 | mA |
| LD Forward လက်ရှိ | အကယ်လို့ | Pf = အဆင့်သတ်မှတ်ပါဝါ | - | 300 | 400 | mA |
| Optical isolation | - | -10 < TC < +70 ℃ | 30 | - | - | dB |
| ဘေးထွက်မုဒ် ဖိနှိပ်မှုအချိုး | SMSR | CW | 35 | 40 | - | dB |
| တုံ့ပြန်မှုကို စောင့်ကြည့်ပါ။ | ကျွန်ုပ် /Pf | - | - | 1 | 20 | uA/mW |
| တုံ့ပြန်မှု တည်ငြိမ်မှုကို စောင့်ကြည့်ပါ။ | - | - | - | - | 20% | - |
| မှောင်သောလျှပ်စီးကြောင်းကိုစောင့်ကြည့်ပါ။ | အိုင်ဒီ | VPD = 5V | - | - | 50 | nA |
| TEC လက်ရှိ | ITEC | အိတ် = 75 ℃ | - | - | 2 | A |
| TEC ဗို့အား | VTEC | အိတ် = 75 ℃ | - | - | 3.5 | V |
| TEC ပါဝါသုံးစွဲမှု | P | Tstg = 25 ℃ | - | - | 5 | W |
| Thermistor Resistance | Rth | အိတ် = 75 ℃ | 9.5 | 10 | 10.5 | Kohm |
| Thermistor B ကိန်းသေ | Bth | Tstg = 25 ℃ | - | 3900 | - | K |
| လှိုင်းအလျား (EOL) | △λ | သက်တမ်း 25 နှစ်ကျော် စမ်းသပ်ခဲ့သည်။ | - | - | ±0.1 | ကမ္မဿကာ |
| လှိုင်း။ အပူချိန်ကိန်းဂဏန်း | Δλ/ΔT | TEC အပူချိန် 15 ℃ မှ 35 ℃ | - | 0.09 | - | nm/℃ |
| Wavelength Current Coefficient | Δλ/ΔΙ | - | - | 0.01 | - | nm/mA |

ထုတ်ကုန်အားလုံးကို မတင်ပို့မီ စမ်းသပ်ပြီးပါပြီ။
ထုတ်ကုန်အားလုံးသည် အာမခံ 1 နှစ် ရှိသည်။(အရည်အသွေး အာမခံကာလပြီးနောက် သင့်လျော်သော ပြုပြင်ထိန်းသိမ်းမှု ဝန်ဆောင်ခကို စတင်ကောက်ခံပါသည်။)
ကျွန်ုပ်တို့သည် သင့်လုပ်ငန်းကို လေးစားတန်ဖိုးထားပြီး 7 ရက်အတွင်း ချက်ချင်းပြန်ပို့သည့်မူဝါဒကို ပေးဆောင်ပါသည်။ (ပစ္စည်းများလက်ခံရရှိပြီးနောက် 7 ရက်);
ကျွန်ုပ်တို့၏စတိုးမှ သင်ဝယ်ယူသောပစ္စည်းများသည် အရည်အသွေးမပြည့်မီပါက၊ ၎င်းတို့သည် ထုတ်လုပ်သူများ၏ သတ်မှတ်ချက်များနှင့်အညီ အီလက်ထရွန်နစ်စနစ်ဖြင့် အလုပ်မလုပ်ပါက၊ အစားထိုး သို့မဟုတ် ပြန်အမ်းငွေအတွက် ၎င်းတို့ထံ ကျွန်ုပ်တို့ထံ ပြန်လည်ပေးပို့ပါ။
ပစ္စည်းများချို့ယွင်းပါက၊ ပေးပို့ပြီး 3 ရက်အတွင်း ကျွန်ုပ်တို့အား အကြောင်းကြားပါ။
ပြန်အမ်းငွေ သို့မဟုတ် အစားထိုးမှုအတွက် အရည်အချင်းပြည့်မီရန် မည်သည့်ပစ္စည်းမဆို ၎င်းတို့၏မူလအခြေအနေတွင် ပြန်လည်ပေးအပ်ရမည်ဖြစ်ပါသည်။
ဖြစ်ပေါ်လာသော ပို့ဆောင်ခအားလုံးကို ဝယ်ယူသူမှ တာဝန်ယူပါသည်။
မေး- လှိုင်းအလျား၏တိကျမှုကား အဘယ်နည်း။
A- +/-0.5nm။
Q- သင့်တွင် အထွက်ပါဝါ၏ အခြားဗားရှင်းများ ရှိပါသလား။
တစ်ဦးက: 10mW, 15mW, 50mW ။
NH3 အာရုံခံမှုအတွက် 1512nm 10mW DFB 14PIN လိပ်ပြာလေဆာ
အစိုဓာတ် H2O အာရုံခံမှုအတွက် 1392nm DFB Butterfly Laser Diode
CH4 Detection အတွက် 1653nm DFB Butterfly Laser Diode
CO အာရုံခံခြင်းအတွက် 1567nm DFB Butterfly Laser Diode
ဟိုက်ဒရိုဂျင်ဆာလဖိုက်သိရှိခြင်းအတွက် 1578nm 10mW DFB Laser Diode
CO2 Detection အတွက် 1580nm DFB Butterfly Laser Diodeမူပိုင်ခွင့် @ 2020 Shenzhen Box Optronics Technology Co., Ltd. - China Fiber Optic Modules၊ Fiber Coupled Lasers ထုတ်လုပ်သူများ၊ Laser Components ပေးသွင်းသူများ All Rights Reserved.